下載app免費領取會員
3.6 鋼筋實例屬性及類型屬性
Ⅰ.鋼筋實例屬性
01.分區 指定關聯鋼筋所在的分區。若要更改分區,可從下拉列表中選擇或輸入新分區的名稱。
02.鋼筋編號 指定選定鋼筋的編號。 如果指定給分區,則具有相同類型、大小、形狀和材質的鋼筋會共享編號。
03.明細表標記 指定帶鋼筋明細表標記的鋼筋實例。
04.鐙筋/箍筋附件 指定鐙筋/箍筋鋼筋是捕捉到內側(默認值)或還是捕捉到主體鋼筋保護層的外側。“保護層參照的內部面”或“保護層參照的外部面”(只讀)。
05.樣式 指定彎曲半徑控件:“標準”或“鐙筋/箍筋”。
06.形狀圖像 指定鋼筋形狀的標識號。
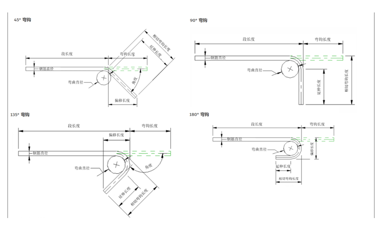
07.起點的彎鉤和終點的彎鉤 列出了適合于選定樣式的鋼筋彎鉤。
08.底部面層匝數和頂部面層匝數 僅用于螺旋鋼筋。指定用來閉合螺旋鋼筋底部的完整線圈匝數,如圖3.6-1所示。

圖3.6-1
09.高度和螺距 僅用于螺旋鋼筋,分別指定螺旋鋼筋的總高度和螺旋鋼筋中鋼筋線圈之間的距離,螺距如圖3.6-2所示。

圖3.6-2
10.舍入替換 為選定的鋼筋實例指定舍入參數。 這樣做將替換“鋼筋類型屬性”對話框中定義的舍入參數。
注:此參數僅在項目中指定鋼筋舍入后可用。
11.起點的端部處理和終點的端部處理 指定用于鋼筋接頭的鋼筋實例起點和終點應用的端部處理類型。
12.鋼筋集 如3.5章節所述。
13.視圖可見性狀態 設置鋼筋視圖可見性狀態, 單擊“編輯”可編輯視圖或狀態,如圖3.6-3所示.

圖3.6-3
14.鋼筋體積 顯示估計的鋼筋體積(只讀)。
15.鋼筋長度 顯示單條鋼筋的長度(只讀)。
注:如果在項目中使用鋼筋舍入,該尺寸標注將在括號內以兩種格式顯示:精確和舍入。
16.總鋼筋長度 顯示鋼筋集中所有鋼筋的總長度(只讀)。
注:如果在項目中使用鋼筋舍入,此尺寸標注僅顯示為一個舍入值。
17.A/B/C 指定鋼筋形狀的每個分段的長度。
注:如果在項目中使用鋼筋舍入,這些尺寸標注將在括號內以兩種格式顯示:精確和舍入。 僅可以編輯精確值。
Ⅱ.鋼筋類型屬性
01.變形 為選定鋼筋類型(變形或光面)指定變形參數。 此參數會在分析中考慮。
02.舍入替換 為選定的鋼筋類型指定舍入參數。 這樣做將替換鋼筋實例屬性對話框中定義的舍入參數。
注:此參數僅在項目中指定鋼筋舍入后可用。
03.子類別 用于按子類別提供鋼筋的圖形替換。 要創建新的子類別,可單擊“管理”選項卡 “設置”面板 “對象樣式”, 在“結構鋼筋”類別中,在主類別下添加新的子類別,如圖3.6-4所示。

圖3.6-4
04.材質 指定鋼筋材質。 在“材質”對話框中選擇材質。
05.鋼筋直徑 指定選定鋼筋類型的直徑。
06.標準彎曲直徑和標準彎鉤彎曲直徑 分別指定所選鋼筋類型的非彎鉤彎曲直徑和彎鉤彎曲直徑,類型如圖3.6-5所示。

圖3.6-5
07.鐙筋/箍筋直徑 指定可以是標準彎曲或鐙筋/箍筋的鋼筋彎曲直徑。
08.彎鉤長度 指定了基于特定鋼筋類型的彎鉤。
09.最大彎曲半徑 指定了鋼筋明細表的“最大彎曲半徑”。 其目的是平衡場地中由于彎曲直徑較大而彎曲的鋼筋。
本文版權歸腿腿教學網及原創作者所有,未經授權,謝絕轉載。
上一篇:BIM培訓 | 六安市住建局開展2025年第一期建筑信息模型(BIM)設計及圖審技術培訓班
推薦專題