下載app免費領取會員
文章來源:廣筑BIM咨詢

第十六期“全國BIM技能等級考試”結束不久,很多伙伴們都在期待考試成績的事兒~
咱們來先看看這些題目的解題思路,參考一下~
為了讓大家能夠快速拿到這一題的分,我們寫出了詳細的解題方法,下面我們就來教大家如何高效快速把這一題的分拿到手。
首先我們先來分析題目:

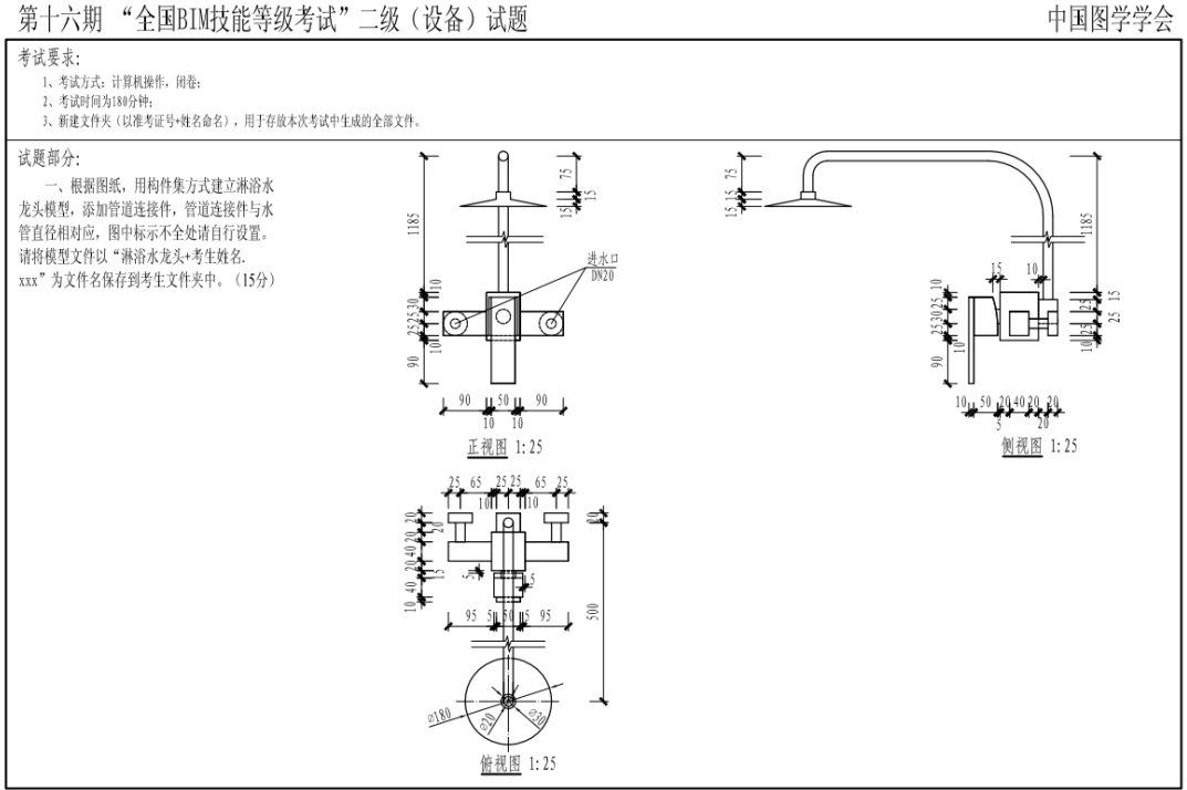
01、題目要求
1、根據圖紙創建設備模型;
2、添加管道連接件,并且連接件要與水管管徑相對應(參數化);
02、考試重點
本題的重點是通過拉伸、放樣、旋轉快速創建模型。
03、繪制方法
1、新建族(常規模型)(注意題干視圖比例為1:25);
2、拉伸、放樣、旋轉繪制模型;
3、添加管道連接件,關聯參數;
4、文件保存與命名;
根據題目要求,①我們首先在前立面中繪制兩條參照平面距離中線100,選擇創建拉伸,繪制兩個半徑為25的圓,設置拉伸起點為0,終點為20確定。
②再創建拉伸,繪制兩個半徑為10的圓形,設置拉伸起點為20,拉伸終點為60,點擊注釋中的直徑尺寸標注分別標注兩個圓形,點擊尺寸標注添加參數。分別設置為R1和R2。
③下一步繼續創建拉伸50*50的矩形,中線對齊縱軸,拉伸起點為0,拉伸終點為40確定。建立參照平面距離繪制好的方塊上部15,繪制70*100的矩形,中線對齊縱軸,拉伸起點為40,拉伸終點為120確定。
以大方塊外邊為參照,創建拉伸90*50的矩形,中線對齊橫軸并鏡像,設置拉伸起點為60,拉伸終點為100確定。
繪制兩條參照平面確定大方塊在前立面的中點,以此中點為圓心創建拉伸半徑為15的圓,設置拉伸起點為120,拉伸終點為135確定。

調整視圖平面到右立面,做四條參照平面如圖所示:

創建拉伸,沿四條參照平面繪制矩形。再建立一個距離大方塊左邊為15的參照平面,點擊“起點-終點-半徑弧”,繪制一條弧線,點擊“修建/延伸為腳”修剪掉多余部分,設置拉伸起點為-30,拉伸終點為30確定。以剛繪制好的圖形左上角為端點向左拉伸一個10*180的矩形,設置拉伸起點為-25,拉伸終點為25確定。

接下來在創建選項卡中點擊放樣,在修改選項卡中點擊“繪制路徑”,如圖拾取小方塊上邊中點,向上繪制長度1200,向左繪制長度480,向下繪制長度75,點擊“esc”鍵取消。
點擊“圓角弧”,因為題中未給出相應的弧度,所以我們點擊兩條線自定義繪制兩條合適的弧線,點擊對號確定。點擊右上角“編輯輪廓”,選擇“樓層平面:參照表高”,點擊打開視圖。找到中心紅點,以紅點為半徑畫出半徑為10的圓形,點擊對號確定兩次。
切換立面視圖為右立面,創建旋轉點擊直線,以左上角管道底邊中心為起點向左繪制長度15,向下繪制長度15,點擊“esc”鍵取消,再以剛才終點為起點向下繪制長度30,向左繪制長度90,將端點相連接,點擊軸線畫中心線確定。

切換到三維視圖,到此模型創建完畢,我們點擊創建“管道連接件”,選擇進水端的面并點擊。點擊連接件圖元,在屬性面板中尺寸標注直徑后找到“關聯族參數”并點擊。

將兩個進水口分別設置為對應的參數R1、R2。并將兩個連接件分別設置為家用冷水和家用熱水系統。
模型創建完畢

至此,我們就完成了本道題的繪制,接著按照題目要求命名并保存項目即可。
好了,以上就是第十六期第一題關于淋浴水龍頭模型如何快速創建的方法,在繪制時注意工作平面和拉伸長度就可以了~
Revit中文網作為國內知名BIM軟件培訓交流平臺,幾十萬Revit軟件愛好者和你一起學習Revit,不僅僅為廣大用戶提供相關BIM軟件下載與相關行業資訊,同時也有部分網絡培訓與在線培訓,歡迎廣大用戶咨詢。
網校包含各類BIM課程320余套,各類學習資源270余種,是目前國內BIM類網校中課程最有深度、涵蓋性最廣、資源最為齊全的網校。網校課程包含Revit、Dynamo、Lumion、Navisworks、Civil 3D等幾十種BIM相關軟件的教學課程,專業涵蓋土建、機電、裝飾、市政、后期、開發等多個領域。
需要更多BIM考試教程或BIM視頻教程,可以咨詢客服獲得更多免費Revit教學視頻。
本文版權歸腿腿教學網及原創作者所有,未經授權,謝絕轉載。
上一篇:Revit技巧 | revit少族文件怎么辦?Revit系統族文件丟失如何解決?
下一篇:Revit技巧 | Revit圖層怎么設置?Revit出圖圖層設置操作詳解
推薦專題